MAGNA3 25-120 N 180 1x230V PN6/10
MAGNA3 25-120 N 180 1x230V PN6/10
Rohkem infot ➜
1661,40 €
MAGNA3 25-120 N 180 1x230V PN6/10 Ringluspump
Parim valik seal, kus süsteemi juhtimine ja seire on olulised. MAGNA3 toetab andmesiini lisavarustuses CIM-moodulitega. Pumbal on TFT-ekran arukate funktsioonide intuitiivseks konfigureerimiseks.
Additional information
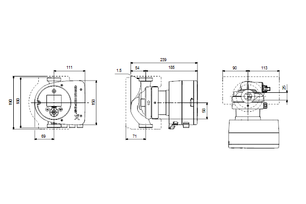
| Weight | 6,08 kg |
|---|---|
| Dimensions | 23,9 × 22,9 × 27,4 cm |








