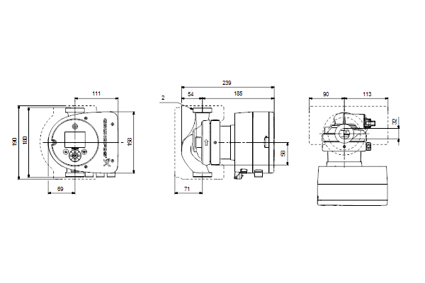
MAGNA3 32-40 180 1x230V PN16
Parim valik seal, kus süsteemi juhtimine ja seire on olulised. MAGNA3 toetab andmesiini lisavarustuses CIM-moodulitega. Pumbal on TFT-ekran arukate funktsioonide intuitiivseks konfigureerimiseks.
Additional information
| Weight | 6,02 kg |
|---|---|
| Dimensions | 22,3 × 23 × 27 cm |








