MAGNA3 25-80 180 1x230V PN6/10
Parim valik seal, kus süsteemi juhtimine ja seire on olulised. MAGNA3 toetab andmesiini lisavarustuses CIM-moodulitega. Pumbal on TFT-ekran arukate funktsioonide intuitiivseks konfigureerimiseks.
Additional information
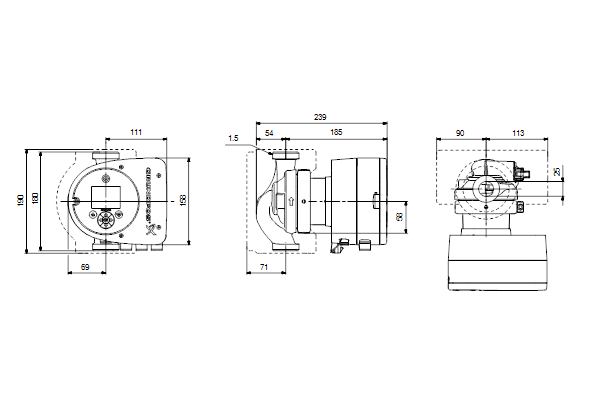
| Weight | 5,84 kg |
|---|---|
| Dimensions | 23,9 × 22,9 × 27,4 cm |








