MAGNA1 32-80 180 1x230V PN10
Lihtne valik korralikult tehtud töö jaoks. Tootel on intuitiivne kasutajaliides, mis sobib eriti hästi vanemate ringluspumpade asendamiseks. Ideaalne valik põhifunktsioonide jaoks
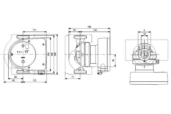
Additional information
| Weight | 5,18 kg |
|---|---|
| Dimensions | 22,8 × 22 × 23,2 cm |








