MAGNA1 25-60 180 1x230V PN10
Lihtne valik korralikult tehtud töö jaoks. Tootel on intuitiivne kasutajaliides, mis sobib eriti hästi vanemate ringluspumpade asendamiseks. Ideaalne valik põhifunktsioonide jaoks
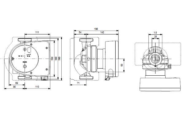
Additional information
| Weight | 5,04 kg |
|---|---|
| Dimensions | 22,5 × 23 × 23,5 cm |








