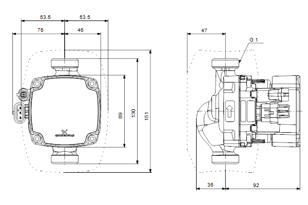
ALPHA2 GO 15-40 130 220-240V 9H AD0
ALPHA2 GO 15-40 130 220-240V 9H AD0
Rohkem infot ➜
342,36 €
ALPHA2 GO 15-40 130 220-240V 9H AD0 Ringluspump
ALPHA2 GO on väga tõhus elektroonilise juhtimisega tsirkulatsioonipump. Bluetooth ühendusega Grundfos GO rakendusel on palju digitaalseid funktsioone, mis hõlbustavad nii uute kui ka väljavahetatavate paigaldiste häälestust.GRUNDFOS GO-d kasutades saate integreeritud ja autonoomseid tsirkulatsioonipumpasid välja vahetades hõlpsalt ühilduvust kontrollida ja sealhulgas pumba täpsed karakteristikud kopeerida. Pumbal on PWM ühendus ja Autoadapt.
Additional information
| Weight | 2 kg |
|---|








