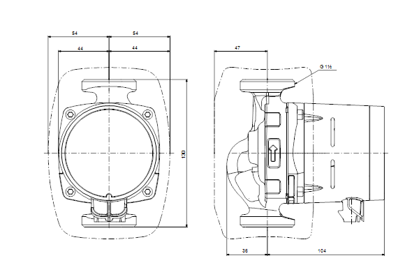
ALPHA1 25-80 130 1x230V 50Hz 6H
ALPHA1 on küttesüsteemidele ettenähtud ringluspump. Pumbal on integreeritud diferentsiaalrõhu juhtimine ja konstantse kõvera režiim. Ideaalne valik põhiliste funktsionaalsete nõuete rahuldamiseks.
Additional information
| Weight | 2,04 kg |
|---|---|
| Dimensions | 19,7 × 11,4 × 16,2 cm |








